相数 | 2 |
|---|---|
步数/每圈 | 200 |
步距角(°) | 1.80 |
步距角精度 | ± 5% |
绝缘等级 | B(130°C) |
认证 | RoHS |
轴向负载(1000RPM下20000小时) | 40N(9 Lbs.)推力|130N(30 Lbs.)拉力 |
径向负载(1000RPM下20000小时) | 70N(15.5 Lbs.) |
环境温度 | -20°C~50°C |
IP 等级 | IP40 |
绝缘电阻(Ω) | 100 MΩ |
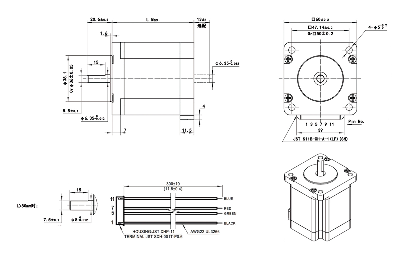
机身长L | 型号 | 静力矩 | 电流 | 电阻 | 电感 | 定位力矩 | 转动惯量 | 重量 |
|---|---|---|---|---|---|---|---|---|
mm | Type | N.cm | A | Ω | mH | mNm | g.cm² | g |
45.00 | 128.00 | 1.50 | 3.20 | 7.10 | 40.00 | 280.00 | 550.00 | |
56.00 | 160.00 | 2.00 | 2.10 | 6.80 | 90.00 | 450.00 | 700.00 | |
67.00 | 200.00 | 3.00 | 1.10 | 3.00 | 95.00 | 560.00 | 1000.00 | |
76.00 | 1.80 | 3.00 | 0.90 | 2.70 | 55.00 | 540.00 | 950.00 | |
87.00 | 2.20 | 3.00 | 0.90 | 2.70 | 65.00 | 570.00 | 1200.00 | |
300.00 | 4.20 | 0.61 | 1.97 | |||||
88.00 | 1.60 | 4.00 | 0.45 | 1.50 | 90.00 | 450.00 | 980.00 | |
108.00 | 3.00 | 1.70 | 2.90 | 11.00 | 100.00 | 800.00 | 1300.00 |



